5TON CRANE MOUNTED TRUCK With Pull Up Hook

Single cable telescopic cylinder technology. Efficiently.
Advanced development, ensure the reliable designing.
Compact hinge point design less the space.
Pulleying alarm device ensure the safety in working.
Self developed rotation sys. Strong drive meet different request

Description

CSCTRUCK

MANUFACTURE SPECIFICATION(Ref.No.: INV180919BM)

 5TON CRANE MOUNTED TRUCK /with pull up hook

image001


HOOK LOADER TRUCK STRUCTURE

image004 1.  Truck Chassis
2.  Hooker
3.  Sub-frame
4.  Hydraulic Cylinder
5.  Container Support
6.  Pulley


CRITICAL PARTS

☆ Hook System: Consist with Hooker, L-typed beam and telescopic boom. Hooker forged from 20Mn alloy steel L-typed beam and telescopic boom, which are welded from 16Mn alloy steel, connect with sub frame by hinge, under action of hydraulic and electric, through cylinders’ movement could extend and extract.

image006 1.         Hooker
2.         L-Typed Beam
3.         Telescopic Boom

Sub frame: is hook loader’s main loading framework, consist with cylinder brace, longitudinal beam, cross member, hook system brace and rear pulley. In the lift and drop processing, the roller could support the container and slide orientation.

See also  20t Hydraulic Knuckle Boom Truck Mounted Crane

 

image008 image009
1.  Cylinder Brace 2.   Longitudinal Beam 3.   Cross Member
4.  Hook System Brace 5.   Rear Pulley


☆ Container: The container is consisting with box body, roller, rear door and locking mechanism it is the main body for loading cargo and goods. The box material with 16Mn alloy steel, inside structure as a trumpet – shaped. The roller installed under the container box, support the box sliding on the ground, the box is fully closed structure, rear door frame imbedding with gasket and after water test avoid water leakage. The rear lockable door would choose optional hydraulic control which could operated in the cabin.

image011

1.Box    2.Roller   3.Rear door   4.Rear door locks

Size: 3100*2300*1200

☆  Supporting Equipment: consist with container support, hydraulic cylinder and roller. When hook system lift and discharge the container, the system will automatically drop the rollers. The system could also keep the balance when the vehicle operated in the soft ground.

image012 image014
1. Container Support 2. Cylinders 3. Supporting   Roller


☆ Hydraulic System: including the filters, oil pump, solenoid directional control valve, interlocks, cylinders, Balance valves, return filters and oil tank. The oil pump drive through shaft by PTO from gearbox, power the hydraulic oil controlled by solenoid directional control valves into cylinders. The oil pump and hydraulic valves are qualitied import parts. There is a rotary type control switch in the cabin for control the hydraulic vales.

☆ HOOK LOADER MECHANISM

image016

DS(mm)

951

L(mm)

3110

K(O)

50

R(mm)

2725

O(mm)

280

H(mm)

920

X(mm)

900

T(mm)

130

image018


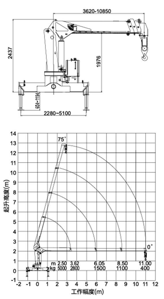
CRANE MECHANISM

image020

image022

NO.

FEATURES & Advantageous

1.            

Single cable telescopic cylinder technology. Efficiently.

2.            

Advanced   development, ensure the reliable designing.

3.            

Pentagon & Hexagon boom assured perfect centering, much more good   performance in bending resistance.

4.            

Compact hinge point design less the space.

5.            

Pulleying alarm device ensure the safety in working.

6.            

Integral hoisting winch mechanism, improved working efficiency,   increase the hydraulic service life.

7.            

Unique floating triple bridges design less the extra stress bear by the   truck chassis frame in the drive situation.

8.            

Self developed rotation sys. Strong drive meet different request

9.            

Anti-rotation device protect the vehicle in safety driving.

image029

image025


PARAMETERS

ITEM

UNIT

SPECIFICATIONS

Garbage Container Size

mm

3100*2300*1200

Hook Height(H)

mm

920

Chassis Height(CH)

mm

1010

Vehicle Full Loaded Weight

kg

14000

Vehicle Unload Weight

kg

7815

Pay Loading Weight

kg

6035

Overall Size

mm

6606*2388*3400

CHSSIS TRUCK

HOWO

Model

ZZ1107G4515C1R

Steering

Right Hand Drive

Suspension

Leaf spring with shackle link

Axles

2 pcs Die-casting

Tires

8.25R20 7pcs

Brakes

Air brake with dual circuit

Cabin

Sleeper/bunk tiltable

Clutch

Single Dry diagram

Battery

V

12

Approaching Angle

o

20

Departure Angle

o

17

Max. Turning Radius

m

≤17

Min. Ground Clearance

mm

176

Max. Climbing

%

30

Max. Speed

Km/hr

95

Oil Consumption

L/100km

25

Chassis Weight

kg

4265

ENGINE

DONGFENG

Model

YC4E140-42

Type

Diesel

Turbocharged inter cooler

Cylinder Numbers

4

Max Output Power

kw

103

Flywheel Speed

rpm

2600

Horse Power

hp

140

Max Torque

N.m

430

Max Torque Speed

rpm

1300-1600

Weight

kg

420

Bore*Stroke

mm

110*112

TRANSMISSION MODEL

SINOTRUK

Model

DC6J65TC


Type

Manual

Forward Speed

6

Backward Speed

1

Synchronizer

Yes

Output Torque

N.m

520

HOOK LOADER

XR 5S-3650

Hook Type

L typed

Loading Cycle

Sec.

≤34

Unload Cycle

Sec.

≤42

Hoist Cycle

Sec.

≤37

Rapid Discharge Time

≤17

Tilt Angle

o

48

Hook Capacity

kg

5500

Hook Weight

kg

750

Container Size

M3

8.5

Hydraulic Pressure

Mpa

16

Oil Pump

l/min

80

PTO Ratio

I=1.0

CRANE

SQ5SK3Q

Crane Type

Telescopic

Max Lifting Capacity

kg

5000

Max Lifting Moment

T.M

12.5

Power

kw

18

Hydraulic Oil Flow

l/min

32

Hydraulic Oil Pressure

Mpa

20

Oil Tank Capacity

L

90

Crane Weight

kg

2260

Install Space

mm

900

Rotation Angle

o

360 all rotation

See also  Crew Cabin Crane Trucks With 6.3 Ton Telescopic Boom

Request For a Quote!

Exporting quality trucks from Hubei, China. Let us know what you need for a quick quotation.

Please enable JavaScript in your browser to complete this form.
Name